Beskrivelse
Praktisk trykknaplukning (trykbolt) til tykke møbeldøre 22 mm (55/64″) – 25 mm (63/64″), fremstillet af robust polyamid (PA, nylon), overflade: brun, SL-B251-BR
Brug:
Push-Latch til autocamperombygning, yachtinteriør, campingvognsmøbler og meget mere.

SL-B251-BR trykknaplukningen har en trykknap med en robust skydelås.
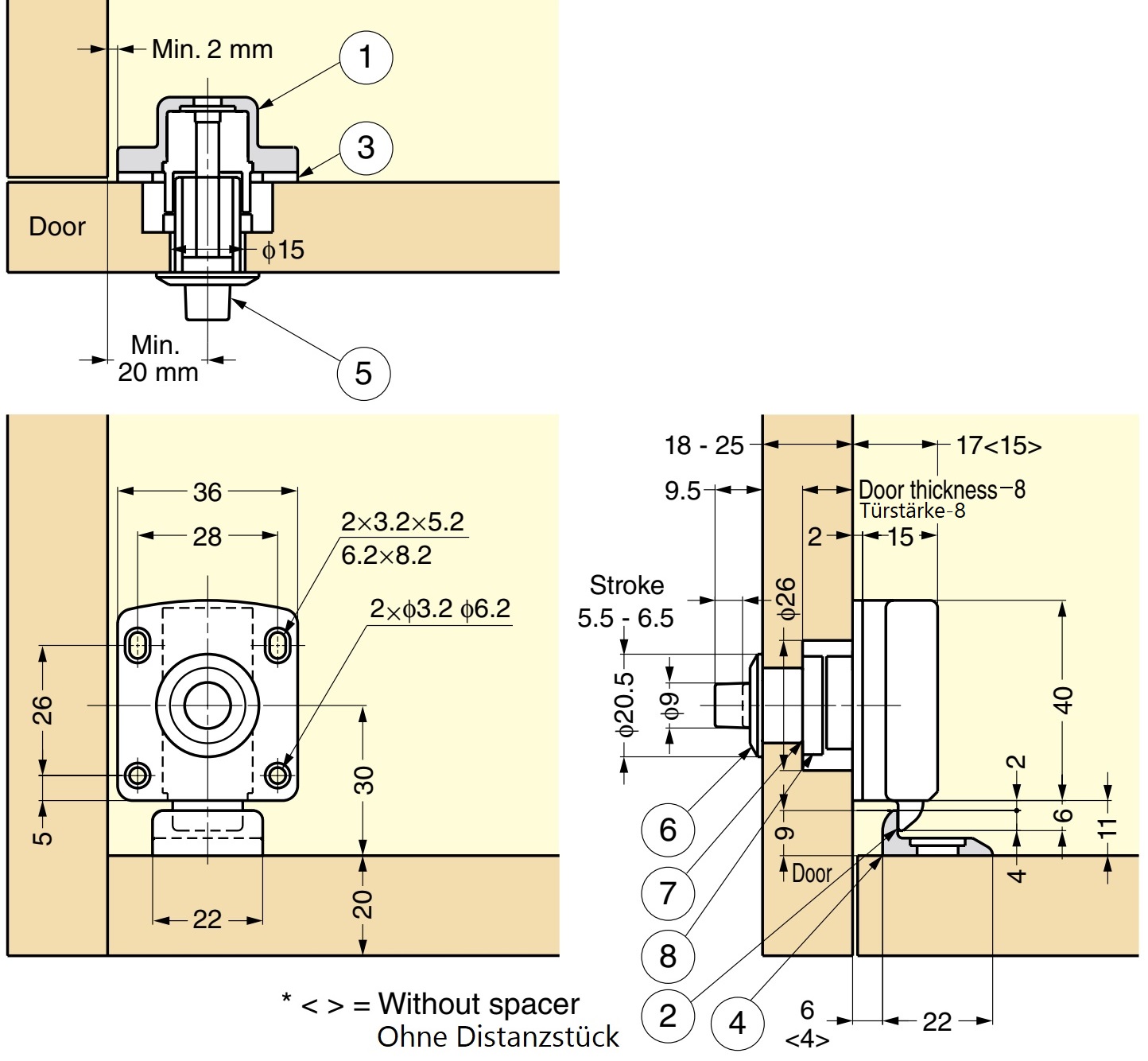
Dens kompakte design kræver kun en 15 mm boring og stikker næsten ikke ud, hvilket giver mulighed for et enkelt frontdesign.
Den integrerede fjedermekanisme holder døren sikkert lukket med ca. 16 kgf – selv i tilfælde af vibrationer i køretøjs- eller skibsapplikationer.

En afstandsring giver mulighed for tilpasning til dørtykkelser på 18 til 21 mm og sikrer en legefri pasform.
Det slidstærke polyamidhus er let, korrosionsbestandigt og uigennemtrængeligt for fugt.
Trykknaplukningerne af høj kvalitet 140-060-017 er ideelle til bl.a.:
- Indretning af butikker
- Messemøbler
- Møbeldøre
- Træning
- Døre
- Letvægts møbler
- Køkken vægskabe
- Konvertering af autocampere
- Yacht interiør
- Campingvogn møbler
Materiale:
- Trykknaplukningerne 140-060-017 er lavet af robust polyamid (PA, nylon)
- Polyamid er ideelt til møbelbeslag og industrielt beslag, fordi det er robust, korrosionsbestandigt, støjabsorberende og glat, hvilket giver mulighed for holdbar og let flytbar hardware.
Overflade:
- Brun
- Brun giver en følelse af varme og komfort, hvilket skaber en hyggelig og indbydende atmosfære, ideel til opholds- og spiseområder
- Brun passer godt sammen med træ og er en alsidig, neutral farve, der passer godt sammen med andre farver og materialer og udstråler tidløs elegance
Montage:

- Fastgørelse sker ved hjælp af de seks skruer, der er inkluderet i leveringsomfanget (Pan-Head spånpladeskrue 3 x 14 mm)
- Først skal der laves et hovedhul med en diameter på ⌀15 mm (19/32″)
- Derefter skal der laves et modhul med en diameter på 26 mm (1-1/32″) og en dybde = dørtykkelse − 8 mm på indersiden af døren
- Derefter fastgøres trykknappen til hullet med møtrikken
- Bolthuset skrues ind i de fortrukne slidshuller med fire 3 x 14 mm spånpladeskruer, hvorved afstandsringen indsættes afhængigt af dørens tykkelse
- Modpladen justeres derefter på forsiden af kroppen og skrues fast, så bolten klikker rent på plads
- Til sidst kontrolleres lukkefunktionen og finjusteres om nødvendigt via de slidsede huller (for yderligere detaljer, se montagetegningen)

Ejendomme:
- Vægt: 23,5 g
- Nyttelast (belastningskapacitet): 156,8 N (16 kp)
- Størrelse: 26 mm (1-1/32″)
- Fås i farverne: elfenben og brun
- Fås til normale døre (18-21 mm) og til tykke døre (22-25 mm)
- Nem installation, praktisk, stabil
- Holder døre sikkert lukket med fjederkraft
- Støjsvag åbning med et tryk på en knap
- Nem tilpasning til forskellige dørtykkelser
- Korrosionsbestandigt, slagfast polyamid
- Høj holdekraft på ca. 16 kgf
- Velegnet til møbler, køretøjer og marine
- Lav vægt
- brun
- Robust (slidstærk, modstandsdygtig, modstandsdygtig over for mange kemikalier, varmebestandig)
- høj mærkekvalitet af Sugatsune / LAMP®
For flere dimensioner og detaljer, se teknisk tegning.
Dimensionerne:
- Trykknaplukningslængde: 40 mm (1-37/64″)
- Bredde: 36 mm (1-27/64″)
- Dybde: 15 mm (19/32″)
- Snap diameter: ⌀20,5 mm (13/16″)

Inkluderet:
- 1 stk trykknaplukning 140-060-017 lavet af robust polyamid, brun
- 1 stk strejkeplade
- 1 stk afstandsring
- 1 stk trykknap
- 6 spånpladeskruer med panhoved 3 x 14 mm
Yderligere Information:
Producentens referencenummer:
- Artikel-id: 140-060-017
- Artikelnr: SL-B251-BR
- EAN-nummer: 4510932059565
Producent: Sugatsune / LAMP® (Japan)






